Ce module de puissance se caractérise par de faibles pertes de commutation et une température de jonction de 150 °C. Doté d'un substrat en cuivre et d'un boîtier standard, il offre d'excellentes performances de dissipation thermique. Il est particulièrement adapté aux équipements tels que les alimentations sans interruption (ASI), les variateurs de vitesse pour moteurs, les servovariateurs et les machines à souder. Nous proposons des services de fourniture en gros pour aider les utilisateurs à garantir un fonctionnement stable et à réduire leurs coûts énergétiques.
Points forts du produit
1. Architecture de puce avancée
Utilise un IGBT à structure de porte de tranchée/coupure de champ, conçu par le fabricant d'origine.
2. Caractéristiques mécaniques
Dissipation thermique du substrat en cuivre
Emballage standard industriel
3. Large plage de températures et haute fiabilité
La température de jonction en fonctionnement atteint 150 °C, ce qui convient aux environnements industriels difficiles.
4. Application typique : Alimentation sans interruption
Entraînement par moteur Servo-entraînement
machine à souder électrique
Pourquoi nous choisir (avantage différentiel) ?
1. Nous avons développé la structure de manière indépendante.
Les paramètres sont parfaitement fiables. Nous utilisons un IGBT à structure de grille à tranchée et de coupure de champ, de spécifications 650 V/400 A. Les pertes de commutation, la résistance thermique et le courant de court-circuit sont des paramètres mesurés en usine ; les données sont donc transparentes et accessibles.
2. Traçabilité des lots, bonne homogénéité des lots
Le module est doté d'un système de traçabilité par lot de production, code de date et numéro de série. La constance des paramètres est élevée, répondant ainsi aux exigences d'une livraison stable de grandes quantités d'équipements industriels.
3. Substrat en cuivre à faible résistance thermique, excellentes performances de dissipation de chaleur
Grâce à sa conception en substrat de cuivre, l'efficacité de dissipation de la chaleur est élevée et il peut fonctionner de manière stable à une température de jonction de 150 °C pendant une longue période.
Spécifications des paramètres
IGBT, onduleur
Valeurs maximales nominales
Paramètre | Symbole | Conditions | Valeurs | Unité |
Tension collecteur-émetteur | V CES | Tvj = 25℃ | 650 | V |
Courant continu de collecteur | CI nom | TC=90℃, Tvj max = 175℃ | 400 | A |
Courant de collecteur de crête répétitif | ICRM | tp=1 ms | 800 | A |
Dissipation de puissance totale | Ptout-petit | TC= 25℃, Tvj max= 175℃ | 1127 | W |
tension de crête grille-émetteur | VGES |
| ±20 | V |
Valeurs caractéristiques
Paramètre | Symbole | Conditions | Valeurs | Unité | |||
Min. | Typ. | Max. | |||||
collecteur-émetteur saturation tension | VCE(SAT) | VGE = 15V, IC= 400 A | Tvj= 25℃ Tvj = 125℃ Tvj = 150℃ | - - - | 1,50 1,57 1,60 | 2.0 - - | V |
Grille seuil tension | VGE(th) | IC=23mA, VCE=VGE, T vj=25℃ | 4.0 | 5.42 | 7.0 | V | |
collecteur-émetteur couper actuel | IGES | VCE=650 V, VGE =0 V, Tvj=25℃ | - | - | 1 | mA | |
Émetteur de grille fuite actuel | IGSE | VCE=0 V, VGE=20 V, Tvj=25℃ | - | - | 400 | nA | |
Allumer retard temps | tenfiler) | VCE= 350 V , IC= 400 A, VGE=±15 V, RG=10 Ω | Tvj = 25℃ Tvj= 125℃ Tvj = 150℃ | - - - | 0,25 0,23 0,22 | - - - | µs
|
Augmenter temps,inductif charger | tr | Tvj = 25℃ Tvj= 125℃ Tvj = 150℃ | - - - | 0,85 0,83 0,81 | - - - | ||
Éteindre retard temps,inductif charger | tenlever) | Tvj = 25℃ Tvj= 125℃ Tvj = 150℃ | - - - | 0,40 0,43 0,44 | - - - | ||
Automne temps,inductif charger | tf | Tvj = 25℃ Tvj= 125℃ Tvj = 150℃ | - - - | 0,16 0,19 0,20 | - - - | ||
Allumer énergie perte par impulsion | Eon | Tvj = 25℃ Tvj= 125℃ Tvj = 150℃ | - - - | 110 110 110 | - - - |
mJ
| |
Éteindre perte d'énergie par impulsion
| Edésactivé | Tvj = 25℃ Tvj= 125℃ Tvj = 150℃ |
- - - | 13.1 25.1 32,8 | - - - | ||
SC données | ISC | VGE=15V,VCC=350V tP=10 µs,Tvj=150℃ | - | 1981 | - | A | |
Thermique résistance, boîtier de jonction | RthJC | par IGBT | - | - | 0,133 | K/W | |
Température sous commutation conditions
| Tvj op |
| -40 | - | 150 | ℃ | |
Diode, onduleur
Valeurs maximales des notes
Paramètre | Symbole | Conditions | Valeurs | Unité |
Tension inverse de crête répétitive | VRRM | Tvj = 25°C | 650 | V |
Courant continu direct | IF |
| 400 | A |
Courant direct de crête répétitif | IFRM | tp = 1 ms | 800 | A |
Valeurs caractéristiques
Paramètre | Symbole | Conditions | Valeurs | Unité | |||
Min. | Typ. | Max. | |||||
Tension directe |
VF
| V GE= 0 V, IF = 400 A | Tvj = 25℃ Tvj=125℃ Tvj= 150℃ | - - - | 1,64 1,40 1,35 | 2.5 - - | V |
Courant de récupération inverse de crête | IRM | VR = 350 V, IF = 400 A | Tvj = 25℃ Tvj=125℃ Tvj= 150℃ | - - - | 12 31 39 | - - - | A |
Frais de recouvrement | Qr | Tvj = 25℃ Tvj=125℃ Tvj= 150℃ | - - - | 0,83 1,43 1,53 | - - - | µC | |
Énergie de récupération inverse par impulsion |
Erec
| IF = 400 A, VR = 350 V, VGE = -15 V | Tvj = 25℃ Tvj=125℃ Tvj= 150℃ | - - - | 0,32 0,90 1,79 | - - - | mJ
|
Résistance thermique, boîtier de jonction | RthJC | par diode | - | - | K/W | ||
Température en conditions de commutation | Tvj op |
| -40 | - |
| ℃ | |
Module
Paramètre | Symbole | Conditions | Valeurs | Unité |
Tension d'essai d'isolement | VISOL | RMS,f = 50 Hz, t = 1 min | 2.7 | kV |
Matériau de la plaque de base du module |
|
| Cu |
|
Matériel of Interne Isolement |
|
| Al2O3 |
|
module d'inductance parasite | LS |
| 35 | nH |
| température de stockage | Tstg |
| -40~125 | ℃ |
Couple de serrage pour le montage du module | M | Vis M5 - Montage conforme à l'application prévue note | 2,5~3,5 | N·m |
Terminal connexion couple | M | Vis M5 - Montage conforme aux normes en vigueur application note | 2,5~3,5 | N·m |
Poids | G |
| 200 | g
|
Caractéristiques de sortie IGBT, Onduleur (typique)
IC = f (VCE)
VGE = 15 V

Caractéristiques de sortie IGBT, Onduleur (typique)
IC = f (VCE)
Tvj = 150℃
Caractéristique de transfert IGBT, onduleur (typique)
IC = f (VGE)
VCE = 20 V
Pertes de commutation IGBT, onduleur (typiques)
Eon = f (IC), Edésactivé = f (IC),
VGE = ±15 V, RG=10Ω, VCE =350 V
Impédance thermique transitoire IGBT, onduleur (typique)
ZthJC = f (t)
Caractéristique directe de la diode, onduleur (typique)
IF = f (VF)
Impédance thermique transitoire Diode, Onduleur (typique)
ZthJC = f (t)
Pertes de commutation Diode, Onduleur (typiques)
Erec = f (IF), RGon = 10 Ω, VCE = 350 V

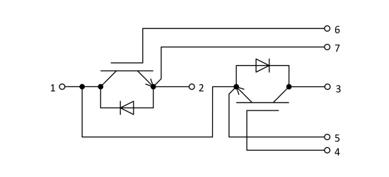
En-tête du schéma de circuit

Description du colis


laissez un message
Scannez vers WeChat :
Scannez vers WhatsApp :