La tension de blocage de ce module a été portée à 1 200 V. Il présente une haute résistance aux courts-circuits et une température de jonction de fonctionnement de 150 °C. Utilisant un substrat en cuivre et un boîtier standard, il convient aux convertisseurs de fréquence, aux alimentations sans interruption, aux variateurs de vitesse et à la production d'énergie solaire. Sa fabrication en série est possible et ses bornes de type réseau sont personnalisables, offrant ainsi une grande flexibilité d'adaptation à diverses topologies de circuits.
Caractéristiques principales du produit
1. Conception de résistance haute tension 1200 V
La tension de claquage a été portée à 1200 V, ce qui convient aux systèmes industriels haute tension, avec une résistance à la tension stable et une forte résistance aux chocs.
2. Sortie haute puissance et courant élevé de 600 A
Le courant continu nominal est de 600 A, le courant de crête peut atteindre 1200 A, répondant aux exigences des scénarios de conversion de fréquence et d'entraînement haute puissance.
3. Structure avancée de la grille à rainure/coupure de champ
Structure à grille de tranchée et à butée de champ, réduisant les pertes par conduction, améliorant l'efficacité et la fiabilité de la commutation.
4. Surveillance en temps réel de la température par sonde NTC intégrée
Thermistance NTC intégrée, assurant un contrôle précis de la température et améliorant la stabilité à long terme du système.
5. Capacité de court-circuit élevée : sécurité renforcée
Excellente capacité de courant de court-circuit, adaptée aux charges industrielles importantes, aux démarrages et arrêts fréquents et à d'autres scénarios à forte demande.
6. Plaque de base en cuivre + Emballage standard Excellente dissipation de la chaleur
Résistance thermique plus faible de la plaque de base en cuivre, dissipation thermique rapide, durée de vie plus longue.
7. Fonctionnement stable sur une large plage de températures, de qualité industrielle
Adaptable aux environnements difficiles, convient aux sites extérieurs et industriels.
Cinq raisons de choisir WISEDRV
1. Conception originale - Qualité stable et contrôlable
Module IGBT développé en interne, de la conception de la puce à l'encapsulation et aux tests, le contrôle total du processus garantit une grande cohérence et un faible taux de défaillance.
2. Haute performance et prix abordable - Approvisionnement stable
Haute performance, meilleur prix, livraison plus rapide et garantie d'un approvisionnement stable par lots.
3. Tests rigoureux - Garantie fiable
Chaque module subit de multiples tests de fiabilité tels que la tension de tenue d'isolation, la résistance thermique, les caractéristiques de commutation et les cycles de température haute/basse.
4. Assistance technique centralisée
Fournir des solutions d'application, des suggestions de mise en correspondance, des conseils en matière de conception de dissipation thermique et une collaboration technique.
5. Gestion des stocks - Production de masse
Stock régulier disponible, prise en charge des commandes groupées et livraison rapide sans retarder les cycles de projet.
Scénarios d'application applicables
Convertisseur de fréquence
Alimentation sans interruption
Entraînements de moteurs
Énergie solaire
Nos capacités de production et d'usine
1. Ligne de production moderne d'emballage de modules IGBT.
2. Adoption d'une structure d'emballage conforme aux normes industrielles.
3. Inspection complète à la sortie d'usine pour garantir la constance du produit.
4. Protection électrostatique stricte et atelier sans poussière.
5. Doté de laboratoires de vieillissement et de fiabilité à haute et basse température.
Paramètres de spécification :
IGBT, onduleur
Valeurs maximales nominales
Paramètre | Symbole | Conditions | Valeur | Unité |
Tension collecteur-émetteur | VCES | Tvj=25℃ | 1200 | V |
Courant continu direct | ICnom | TC=75℃ Tvj max=175℃ | 600 | A |
Courant direct de crête répétitif | ICRM | tp=1 ms | 1200 | A |
Dissipation de puissance totale | Ptout-petit | TC=25℃, Tvj max= 175℃ | 2727 | W |
tension de crête grille-émetteur | VGES |
| ±30 | V |
Valeurs caractéristiques
Paramètre | Symbole | Conditions | Valeur | Unité | |||
MIN. | Typ. | MAX. | |||||
tension de saturation collecteur-émetteur | VCE(sat) | VGE = 15 V, IC = 600 A | Tvj = 25℃ Tvj=125℃ Tvj=150℃ | - - - | 2.31 2,86 2,98 | 3 - - | V |
tension de seuil de grille | VGE(th) | IC = 23 mA, VCE = VGE, Tvj = 25℃ | 4.0 | 6.11 | 7.0 | V | |
courant de coupure collecteur-émetteur | ICES | VCE = 1200 V ,VGE = 0 V Tvj = 25℃ | - | - | 1 | mA | |
courant de fuite grille-émetteur | IGES | VCE = 0 V, VGE = 20 V, Tvj = 25℃ | - | - | 400 | nA | |
Entrée payante | QG | VCC = 600 V, IC = 600 A, VGE = 15 V | - | 3260 | - | nC | |
Délai d'allumage | td(on) | VCE=600V, IC = 600A, VGE = ±15V, RG= 10,0 Ω | Tvj= 25℃ Tvj=125℃ Tvj=150℃ | - - - | 0,52 0,45 0,43 | - - - | μs |
Temps de montée, charge inductive | tr | Tvj= 25℃ Tvj=125℃ Tvj=150℃ | - - - | 0,27 0,29 0,30 | - - - | ||
Délai de mise hors tension, charge inductive | td(off) | Tvj= 25℃ Tvj=125℃ Tvj=150℃ | - - - | 1,27 1,33 1,34 | - - - | ||
Temps d'automne, charge inductive | tf | Tvj= 25℃ Tvj=125℃ Tvj=150℃ | - - - | 0,51 0,51 0,47 | - - - | ||
Perte d'énergie à l'allumage par impulsion | Esur | Tvj= 25℃ Tvj=125℃ Tvj=150℃ | - - - | 174 220 238 | - - - | mJ | |
Perte d'énergie par impulsion à l'arrêt | Eéteint | Tvj = 25℃ Tvj=125℃ Tvj=150℃ | - - - | 172 175 169 | - - - | ||
Données SC | ISC | VGE =15 V,VCC = 600 V tP = 10 µs, Tvj = 150℃ | - | 2734 | - | A | |
Résistance thermique, boîtier de jonction | RthJC | par IGBT | - | - | 0,055 | K/W | |
Température en conditions de commutation | Tvj op |
| -40 | - | 150 | ℃ | |
Diode, onduleur
Valeurs maximales des notes
Paramètre | Symbole | Conditions | Valeur | Unité |
Tension inverse de crête répétitive | VRRM | Tvj=25°C | 1200 | V |
Courant continu direct | IF |
| 600 | A |
Courant direct de crête répétitif | IFRM | tp=1 ms | 1200 | A |
Valeurs caractéristiques
Paramètre | Symbole | Conditions | Valeur | Unité | |||
MIN. | Typ. | MAX. | |||||
Tension directe | VF | VGE = 0V, IF = 600 A | Tvj = 25℃ Tvj=125℃ Tvj=150℃ | - - - | 2,34 2,39 2.41 | 3.0 - - | V |
Courant de récupération inverse de crête | IRM | VR = 600 V, -diF/dt=631A/µs (Tvj=150°C) IF= 600 A VGE=-15 V | Tvj= 25℃ Tvj=125℃ Tvj=150℃ | - - - | 125 205 228 | - - - | A |
Frais de recouvrement | Qr | Tvj= 25℃ Tvj=125℃ Tvj=150℃ | - - - | 7,70 7,76 7,58 | - - - | μC | |
Énergie de récupération inverse par impulsion | Erec | Tvj= 25℃ Tvj=125℃ Tvj=150℃ | - - - | 6,72 19.3 25,5 | - - - | mJ | |
Résistance thermique, boîtier de jonction | RthJC | par diode | - | - | 0,097 | K/W | |
Température en conditions de commutation | Tvj op |
| -40 | - | 150 | ℃ | |
Thermistance NTC
Valeurs caractéristiques
Paramètre | Symbole | Conditions | Valeur | Unité |
résistance nominale | R25 | TNTC=25℃ | 5,00 | kΩ |
Écart de R100 | |∆R|/R | TNTC = 100 °C, R100 = 493 Ω | 5 | % |
Valeur B | B25/50 | Calculé à partir de la valeur de résistance à 25℃et 50℃ | 3375 | K |
Valeur B | B25/80 | Calculé à partir de la valeur de résistance à 25℃ et 80℃ | 3411 | K |
Valeur B | B25/100 | Calculé à partir de la valeur de résistance à 25℃et 100℃ | 3433 | K |
Module
Paramètre | Symbole | Conditions | Valeurs | Unité |
Tension d'essai d'isolement | VISOL | RMS, f=0 Hz, t=1,2 s | 4.7 | kV |
Matériau de la plaque de base du module |
|
| Cu |
|
Matériau d'isolation interne |
|
| Al2O3 |
|
distance de fuite |
| Borne vers dissipateur thermique Terminal à terminal | 15.0 13.0 | mm |
Autorisation |
| Borne vers dissipateur thermique Terminal à terminal | 12,5 10.0 | mm |
module d'inductance parasite | LS |
| 20 | nH |
température de stockage | Tstg |
| -40 ~125 | ℃ |
Couple de serrage pour le montage du module | M | Vis M5 - Montage conformément à la note d'application valide | 3.0 ~ 6.0 | N·m |
Couple de connexion des bornes | M | Vis M6 - Montage conformément à la note d'application valide | 3.0 ~ 6.0 | N·m |
Poids | G |
| 348 | g |
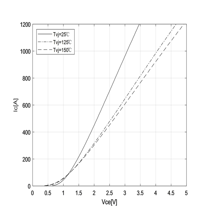
Caractéristique de sortie IGBT, onduleur (typique)
IC = f (VCE)
VGE = 15 V

Caractéristique de sortie IGBT, onduleur (typique)
IC = f (VCE)
Tvj = 150℃

Caractéristique de transfert IGBT, onduleur (typique)
IC = f (VGE)
VCE = 20 V

Pertes de commutation IGBT, onduleur (typiques)
Eon = f (IC), Edésactivé = f (IC),
VGE = ±15 V, RG = 10 Ω, VCE = 600 V

Impédance thermique transitoire IGBT, onduleur (typique)
ZthJC = f (t)

Caractéristique directe de la diode, onduleur (typique)
IF = f (VF)

Impédance thermique transitoire Diode, Onduleur (typique)
ZthJC = f (t)

Pertes de commutation Diode, Onduleur (typiques)
Erec = f (IF), Ron = 10,0Ω,VCE = 600 V

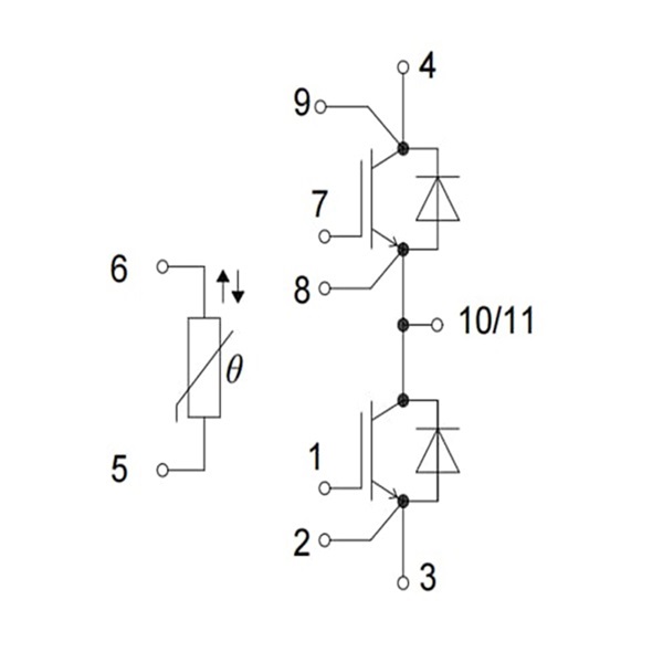
En-tête du schéma de circuit

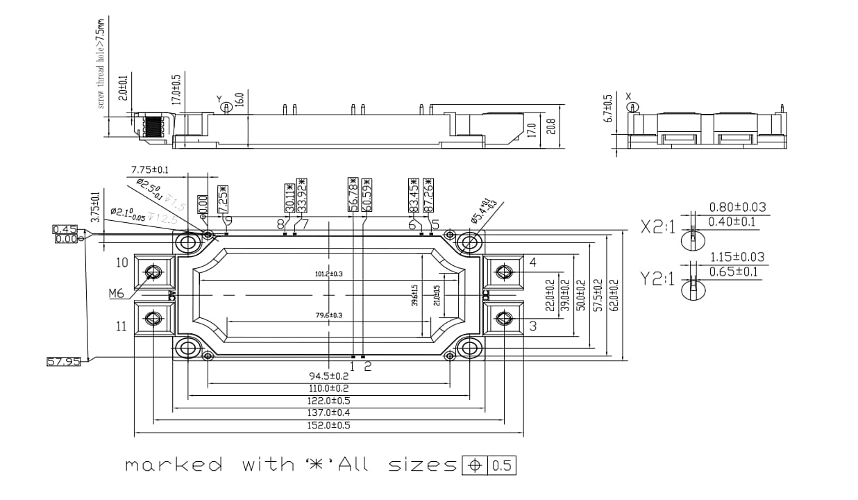
Description du colis

Unité:mm
laissez un message
Scannez vers WeChat :
Scannez vers WhatsApp :