Ce module de puissance, doté d'un boîtier standard et d'un substrat en cuivre, est spécialement conçu pour les convertisseurs de fréquence, les alimentations sans interruption (ASI), les variateurs de vitesse et les machines à souder. Il présente une tension de claquage de 650 V, une capacité de court-circuit élevée et une température de jonction de fonctionnement jusqu'à 150 °C. Compatible avec les circuits industriels courants et adapté à la production en série, il répond aisément aux exigences des applications industrielles les plus répandues.
Points forts du produit
Haute tension et courant élevé, capacité de charge stable
Faibles pertes et rendement élevé
Excellente dissipation de chaleur et longue durée de vie
Scénario d'application : Convertisseur de fréquence
1. Convertisseur de fréquence
2. Alimentation sans interruption
3. Entraînement par moteur
4. Machine à souder électrique
FAQ courantes
Q1 : Combien de périphériques d'alimentation ce module peut-il prendre en charge ?
A : Spécifications 650 V/200 A, adaptées aux onduleurs/variateurs de puissance moyenne à grande de plusieurs milliers de kW.
Q2 : Quelle est la plage de températures de fonctionnement ?
A : Plage de température de jonction de fonctionnement -40℃ ~ 150℃, assurant un fonctionnement fiable dans des environnements industriels à haute et basse température.
Q3 : Quelles sont les caractéristiques de protection et de sécurité ?
A : Tension de tenue d'isolation de 2,5 kV, distance de fuite de 10 mm, capacité de court-circuit élevée, fiabilité sur une large plage de températures, conforme aux normes de sécurité industrielles.
Paramètres de spécification :
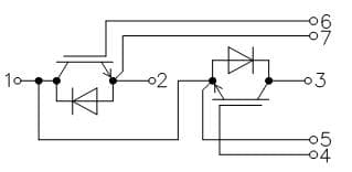
IGBT, onduleur
Valeurs maximales nominales
Paramètre | Symbole | Conditions | Valeurs | Unité |
Collectionneur-emate valtitude | VCES | Tvj = 25℃ | 650 | V |
CC continu ccollectionneur ccourant | IC nom | TC = 70℃, Tvj max =150℃ | 200 | A |
Répétitif peak ccollectionneur ccourant | ICRM | tP=1 ms | 400 | A |
Total ppuissance ddissipation | Ptout-petit | TC = 25℃, Tvj max = 150℃ | 698 | W |
Grille-emate peak valtitude | VGES | - | ±20 | V |
Valeurs caractéristiques
Paramètre | Symbole | Conditions | Valeurs | Unité | |||
Min. | Typ. | Max. | |||||
tension de saturation collecteur-émetteur | VCE(sat) | VGE =15V, IC = 200A | Tvj= 25℃ Tvj= 125℃ Tvj= 150℃ | - - - | 1,70 2.00 2.10 | 1.9 - - | V |
tension de seuil de grille | VGE(th) | IC =3,2 mA, VCE = VGE, Tvj = 25℃ | 5.0 | 5,832 | 6.8 | V | |
résistance de grille interne | RGint | Tvj = 25℃ | - | 2 | - | Ω | |
courant de coupure collecteur-émetteur | ICES | VCE= 650 V , VGE = 0V Tvj = 25℃ | - | - | 0,1 | mA | |
courant de fuite grille-émetteur | IGES | VCE = 0 V, VGE = 20 V, Tvj = 25℃ | - | - | 500 | nA | |
capacité d'entrée | Cies | VCE = 25 V, VGE = 0V, f = 1 MHz,Tvj = 25℃ | - | 15000 | - | pF | |
capacité de transfert inverse | Cres | - | 280 | - | pF | ||
Délai d'allumage | tenfiler) | VCE = 300 V, IC = 200A, VGE = ±15 V, RG = 4,7 Ω
| Tvj = 25℃ Tvj = 125℃ Tvj = 150℃ | - - - | 0,106 0,116 0,118 | - - - | μs |
Temps de montée, charge inductive | tr | Tvj= 25℃ Tvj= 125℃ Tvj= 150℃ | - - - | 0,103 0,109 0,11 | - - - | ||
Délai de mise hors tension, charge inductive | td(off) | Tvj= 25℃ Tvj= 125℃ Tvj= 150℃ | - - - | 0,165 0,177 0,179 | - - - | ||
Temps d'automne, charge inductive | tf | Tvj= 25℃ Tvj= 125℃ Tvj= 150℃ | - - - | 0,084 0,096 0,1 | - - - | ||
Perte d'énergie à l'allumage par impulsion | Eon | Tvj= 25℃ Tvj= 125℃ Tvj= 150℃ | - - - | 1,591 3,045 3.442 | - - - | mJ | |
Perte d'énergie par impulsion à l'arrêt | Edésactivé | Tvj= 25℃ Tvj= 125℃ Tvj= 150℃ | - - - | 4,458 5.176 5,37 | - - - | ||
Données SC | Isc | VGE = 15 V,VCC = 300 V tP = 10 µs, Tvj = 150℃ | - | 960 | - | A | |
Résistance thermique, boîtier de jonction | RthJC | par IGBT | - | - | 0,179 | K/W | |
Température en conditions de commutation | Tvj op |
| -40
| - | 150 | ℃ | |
Diode, onduleur
Valeurs maximales des notes
Paramètre | Symbole | Conditions | Valeurs | Unité |
Tension inverse de crête répétitive | VRRM | Tvj=25°C | 650 | V |
Courant continu direct | IF |
| 200 | A |
Courant direct de crête répétitif | IFRM | tp=1ms | 400 | A |
Valeurs caractéristiques
Paramètre | Symbole | Conditions | Valeurs | Unité | ||||
Min. | Typ. | Max. | ||||||
Tension directe | VF | VGE = 0 V, IF = 200 A | Tvj = 25℃ Tvj = 125℃ Tvj = 150℃ | - - - | 1,661 1,682 1,651 | 2,25 - - | V | |
Courant de récupération inverse de crête | IRM | VR=300V, IF =200A, dIF/dt=5400A/µs | Tvj= 25℃ Tvj= 125℃ Tvj= 150℃ | - - - | 76 85 89 | - - - | A | |
Frais de recouvrement | Qr | Tvj= 25℃ Tvj= 125℃ Tvj= 150℃ | - - - | 5.251 6.226 6,455 | - - - | µC | ||
Énergie de récupération inverse par impulsion | Erec | IF =200A, VR = 300V, VGE = -15V | Tvj= 25℃ Tvj= 125℃ Tvj= 150℃ | - - - | 1,298 2.049 2,382 | - - - | mJ | |
Résistance thermique, boîtier de jonction | RthJC | par diode | - | - | 0,303 | K/W | ||
Conditions de commutation de température | Tvj op |
| -40 | - | 150 | ℃ | ||
Module
Paramètre | Symbole | Conditions | Valeurs | Unité |
Tension d'essai d'isolement | VISOL |
| 2.5 | kV |
Matériau de la plaque de base du module |
|
| Cu |
|
Matériau d'isolation interne |
|
| Al2O3 |
|
distance de fuite |
| Borne vers dissipateur thermique | 10.0 | mm |
module d'inductance parasite | Ls |
| 35 | nH |
température de stockage | Tstg |
| −40∼125 | ∘C |
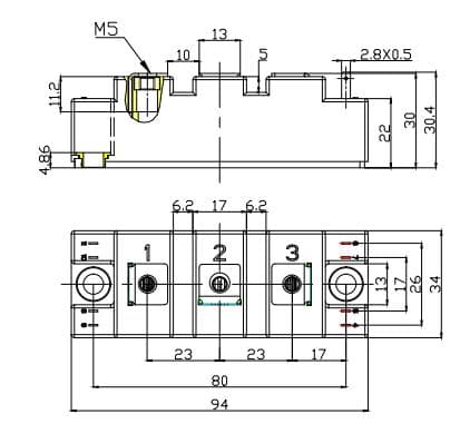
Couple de serrage pour le montage du module | M | Vis M6 - Montage conformément à la note de demande valide | 3.0 ~ 6.0 | N·m |
Couple de connexion des bornes | M | Vis M5 - Montage conformément à la note de demande valide | 3.0 ~ 6.0 | N·m |
Poids | G |
| 163 | g |
Caractéristique de sortie IGBT, onduleur (typique)
IC = f (VCE)
VGE = 15 V

Caractéristique de sortie IGBT, onduleur (typique)
IC = f (VCE)
Tvj = 150℃

Caractéristique de transfert IGBT, onduleur (typique)
IC = f (VGE)
VCE = 20 V

Pertes de commutation IGBT, onduleur (typiques)
Eon = f (IC), Edésactivé = f (IC),
VGE = ±15 V, Ron = 4,7 Ω, Rdésactivé = 4,7 Ω, VCE = 300 V

Impédance thermique transitoire IGBT, onduleur (typique)
ZthJC = f (t)

Caractéristique directe de la diode, onduleur (typique)
IF = f (VF)

Impédance thermique transitoire Diode, Onduleur (typique)
ZthJC = f (t)

Pertes de commutation Diode, Onduleur (typiques)
Erec = f (IF), RGon = 4,7 Ω, VCE = 300 V



à propos de : mm
laissez un message
Scannez vers WeChat :
Scannez vers WhatsApp :