La solution que nous proposons intègre une motorisation haute performance et une génération d'énergie intelligente au sein d'une plateforme robuste, spécialement conçue pour les deux-roues électriques ou hybrides fonctionnant à des vitesses de 60 à 80 kilomètres par heure. Ce système polyvalent offre une flexibilité de conception sans précédent et une gestion de l'énergie avancée pour répondre aux exigences évolutives des équipementiers mondiaux.
Numéro de projet :
Motor Controller(G150S)Commande (MOQ) :
30Paiement :
Prepayment requiredOrigine du produit :
Xiamen City,Fujian Province ,ChinaPoids :
Motor:19.6Kg , Motor controller:4.2kgEntièrement certifiéISO 45001,ISO 26262, IATF 16949, FQCet CISPR 25normes
| Non. | Article | Description / Spécifications | Non. | Article | Description / Spécifications | Remarques |
|---|---|---|---|---|---|---|
| Contrôleur de générateur | Contrôleur de moteur | - | ||||
| 1 | Type de produit | Contrôleur de générateur | 1 | Type de produit | Contrôleur de moteur | / |
| 2 | Type de capteur compatible | Capteurs à effet Hall | 2 | Type de capteur compatible | Capteurs à effet Hall et codeurs magnétiques | Encodeurs compatibles avec une alimentation 5 V |
| 3 | Plage de tension de fonctionnement | 35–85 Vcc | 3 | Plage de tension de fonctionnement | 35–85 Vcc | / |
| 4 | Tension nominale | 48 / 60 / 72 Vcc | 4 | Tension nominale | 48 / 60 / 72 Vcc | / |
| 5 | Courant de phase nominal/de crête | 60 A / 260 A | 5 | Courant de phase nominal/de crête | 110 A / 260 A | / |
| 6 | Courant du bus CC | 80 A | 6 | Courant du bus CC | 100 A | / |
| 7 | Interface de communication | One-Wire / CAN 2.0 | 7 | Interface de communication | One-Wire / CAN 2.0 | / |
| 8 | Méthode de refroidissement | Refroidissement naturel par l'air (passif) | 8 | Méthode de refroidissement | Plaque froide à liquide externe | Compatible avec le refroidissement naturel par air |
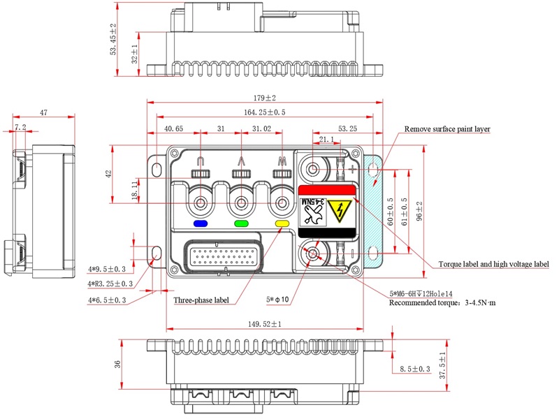
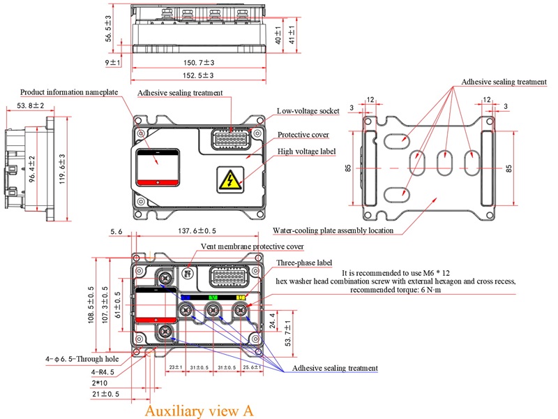
Spécifications d'interface
Diagramme d'apparence de l'interface


Connecteur basse tension

Avantages du produit
1. Véritable architecture à double mode : Conduite et génération
Une seule plateforme matérielle, deux modes de fonctionnement distincts adaptés aux groupes motopropulseurs complexes :
2. Densité de puissance et résilience thermique inégalées
Conçu pour répondre aux exigences rigoureuses des trajets domicile-travail à grande vitesse :
Gestion des courants massifs : Avec un pic de courant de phase de 260 A dans les deux modes, ce contrôleur gère les pics de charge extrêmes sans défaillance.
Options de refroidissement flexibles :
Norme : Refroidissement naturel optimisé pour des conceptions économiques et légères.
Mise à niveau Pro : Interface de plaque de refroidissement à eau externe en option pour une puissance de sortie élevée et soutenue dans les applications fermées ou intensives, évitant la limitation thermique lors des longues ascensions.
3. Détection précise et contrôle fluide
Profitez d'un fonctionnement ultra-silencieux et d'une distribution du couple d'une douceur exceptionnelle :
Prise en charge de deux capteurs : Compatible avec les capteurs à effet Hall standard pour une fiabilité immédiate.
Prêt pour les encodeurs haute résolution : prise en charge optionnelle des encodeurs magnétiques 5 V, permettant des algorithmes FOC avancés pour un contrôle ultra-fluide à basse vitesse et des performances NVH (bruit, vibrations, rudesse) supérieures.
4. Connectivité et personnalisation à l'épreuve du temps
Communication avancée : la prise en charge native des protocoles CAN 2.0 et One-Wire assure une intégration transparente avec les systèmes de gestion technique du bâtiment (GTB), les tableaux de bord et les unités de gestion hybrides.
Conception modulaire :
Flexibilité des MOSFET : Sélectionnez des modules MOSFET optimisés pour équilibrer le coût et l'efficacité pour votre classe de tension spécifique (48 V/60 V/72 V).
Intégration Bluetooth : le Bluetooth intégré en option permet des diagnostics en temps réel, le réglage des paramètres via des applications pour smartphone et les mises à jour du firmware OTA (Over-The-Air).
laissez un message
Scannez vers WeChat :
Scannez vers WhatsApp :